AD82584F-2x25W Stereo/1x50W Mono Digital Audio Amplifier With 30 bands EQ and DRC Functions
Description
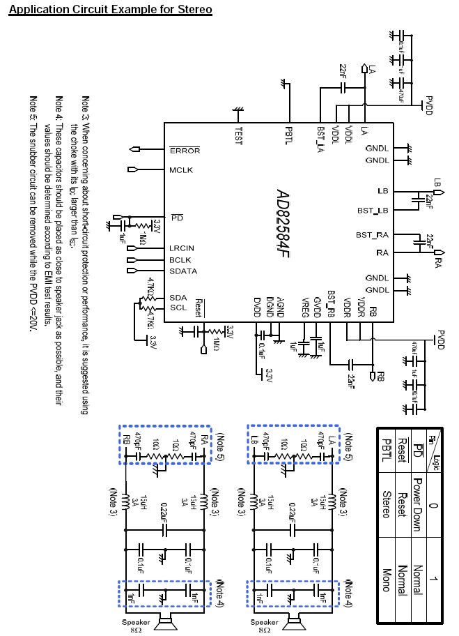
AD82584F is a digital audio amplifier capable of driving 25W (BTL) each to a pair of 8 load speaker and 50W (PBTL) to a 4 load speaker operating at 24V supply without external heat-sink or fan requirement with play music. AD82584F provides advanced audio processing functions, such as volume control, 30 EQ bands, audio mixing, 3D surround sound and Dynamic Range Control (DRC). These are fully programmable via a simple I2C control interface. Robust protection circuits are provided to protect AD82584F from damage due to accidental erroneous operating condition. The full digital circuit design of AD82584F is more tolerant to noise and PVT (Process, Voltage, and Temperature) variation than the analog class-AB or class-D audio amplifier counterpart implemented by analog circuit design. AD82584F is pop free during instantaneous power on/off or mute/shut down switching because of its robust built-in anti-pop circuit.
Features
16/18/20/24-bits input with I2S, Left-alignment and Right-alignment data format PSNR & DR(A-weighting) Loudspeaker: 108dB (PSNR), 108dB (DR)@24V Multiple sampling frequencies (Fs) 8kHz and 32kHz / 44.1kHz / 48kHz and 64kHz / 88.2kHz / 96kHz and 128kHz / 176.4kHz / 192kHz System clock = 64x, 128x, 192x, 256x, 384x, 512x, 576x, 768x, 1024x Fs MCLK system: 256x~1024x Fs for 8kHz 64x~1024x Fs for 32kHz / 44.1kHz / 48kHz 64x~512x Fs for 64kHz / 88.2kHz / 96kHz 64x~256x Fs for 128kHz / 176.4kHz / 192kHz BCLK system: 64xFs for 32kHz / 44.1kHz / 48kHz 64xFs for 64kHz / 88.2kHz / 96kHz 64xFs for 128kHz / 176.4kHz / 192kHz Supply voltage 3.3V for digital circuit 8V~26V for loudspeaker driver Supports 2.0CH/Mono configuration Loudspeaker output power@12V for stereo 1W x 2CH into 6 <0.1% THD+N 9W x 2CH into 6 <1% THD+N Loudspeaker output power@18V for stereo 15W x 2CH into 6 <1% THD+N Loudspeaker output power@24V for stereo 25W x 2CH into 8 <1% THD+N Sound processing including: 30 bands parametric speaker EQ Volume control (+24dB~-103dB, 0.125dB/step) Dynamic range control Three Band plus post Dynamic range control Power Clipping Programmed 3D surround sound Channel mixing Noise gate with hysteresis window Bass/Treble tone control DC-blocking high-pass filter Pre-scale/post-scale Anti-pop design Level meter and power meter I2S output with selectable Audio DSP point Short circuit and over-temperature protection Supports I2C control without clock I2C control interface with selectable device address Support hardware and software reset Internal PLL LV Under-voltage shutdown and HV Under-voltage detection Over voltage protection Power saving mode
Applications
TV audio Boom-box, CD and DVD receiver, docking system Powered speaker Wireless audio

|